末路在线观看免费完整版电影|青蛇电影未删减完整版下载|韩国三级理论|人生之路在线观看完整版高清电影,韩国精品在线,阿凡达2在线观看完整版免费高清,亚洲特黄视频

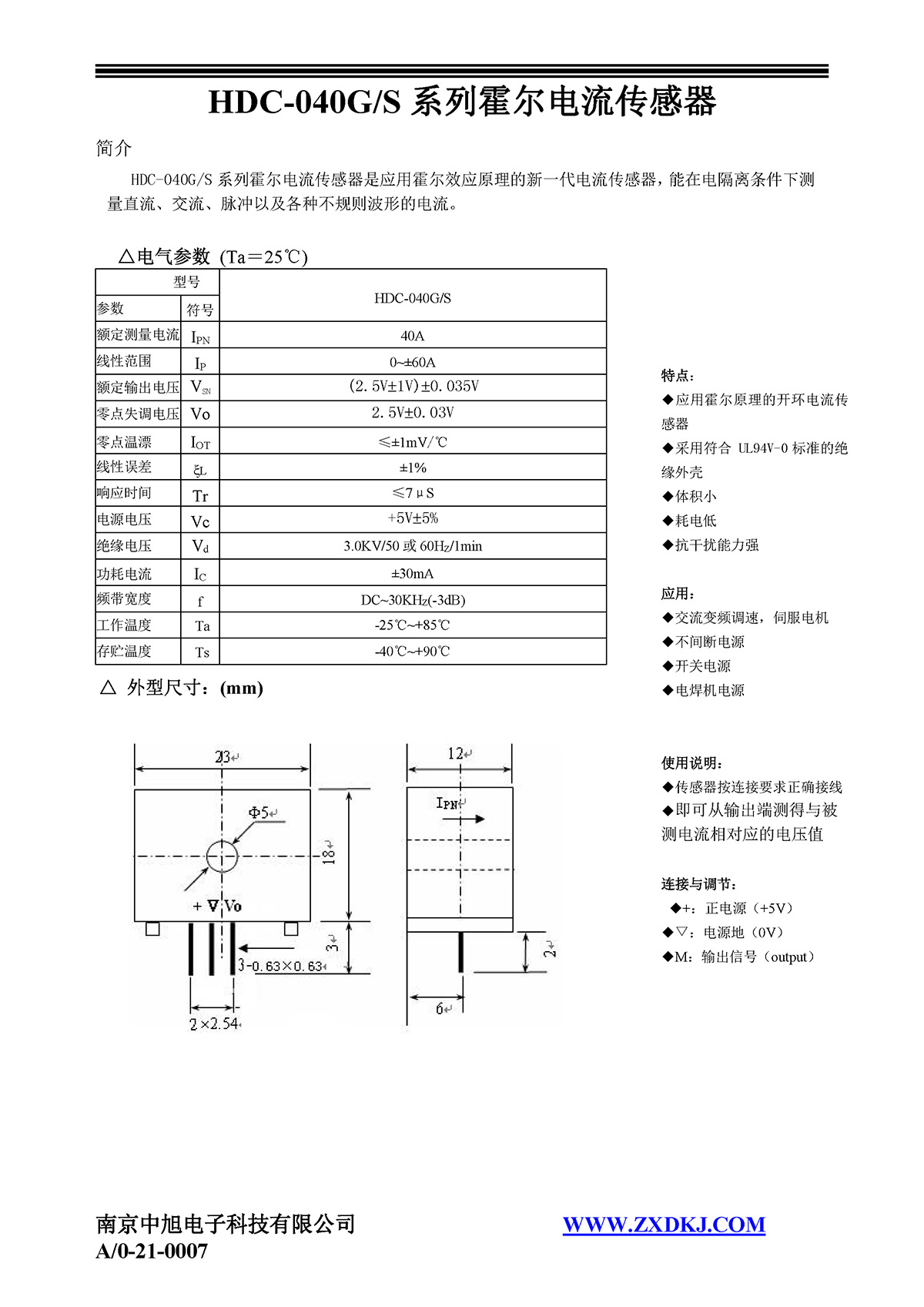
HDC-040G

post-image

HDC-040G series Hall current sensor is a new generation of current sensor using the principle of Hall effect. It can measure currents of DC, AC, pulse and various irregular waveform under electrical isolation.